КОРПУСНОЙ ПОДШИПНИК UCT208
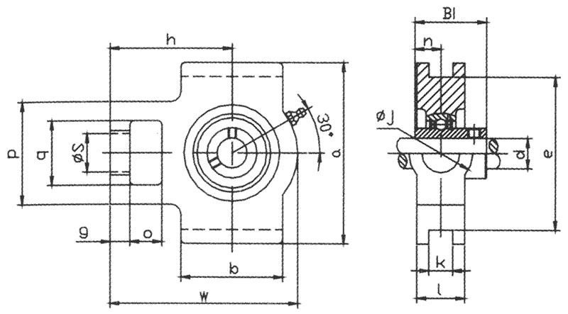
Размеры и параметры корпуса T 208 и корпусного подшипника UC 208 аналог TU..(SKF), RTUEY..(INA), LET(FKL).
Внутренний диаметр (диаметр вала) — 40 мм;
Наружный диаметр подшипника — 80 мм;
Ширина подшипника (B1) — 49,2 мм;
Длина корпуса (L) — 144 мм;
Ширина корпуса (H) — 114 мм;
Отверстие (N2 x N1) — 49?19 мм;
Динамическая нагрузка — 27,64 kН;
Статическая нагрузка — 16,91 kН;
Масса — 2,40 кг.
Подшипники типа UCT используют в сельскохозяйственных машинах, оборудовании, транспортерах, станках. Подшипники типа UCT являются очень подходящими для установки в труднодоступных местах.
Корпуса обычно изготавливаются из прочного серого чугуна (именно такие распространены повсеместно), реже, для специфических условий эксплуатации, из пластика, прессованного металла, нержавеющей стали, каучука, других материалов. Сам корпусной подшипник имеет сферическое шлифованное наружное кольцо и легко устанавливается в гнездо корпуса (является самоцентрирующимся), при необходимости возможна быстрая замена выработавшего ресурс шарикоподшипника без демонтажа непосредственно корпуса. На вал подшипниковый узел крепится стопорным винтом (у других серий применяются закрепительные втулки и эксцентриковые кольца), при монтаже обычно оставляют небольшой зазор. Изделие широко используется в самых разных отраслях промышленности — на поточных линиях, конвейерах и подобном оборудовании, часто расход их на ремонт одного изделия составляет сразу несколько десятков.
В подшипнике используется консистентная смазка, подаваемая в его полость через вертикальную масленку, желательно при работе подшипника, часто располагающуюся под небольшим углом (45 градусов) относительно оси или прямо по центру (как на рисунке), закрываемую по необходимости пластиковым колпачком.